Lesen Von Technischen Zeichnungen . WERKSTÜCKKANTEN ERKLÄRT ! TECHNISCHE ZEICHNUNG Zeichnungsanalyse 02 PRÜFUNGSAUFGABE Das Lesen und Verstehen von technischen Zeichnungen ist somit ein wichtiger Aspekt im Bereich der internen und externen Kommunikation. Dieser Leitfaden bietet eine detaillierte Aufschlüsselung dieser Fähigkeit, einschließlich Beispielen aus der Praxis und praktischer Anwendung, sowie Entwicklungspfaden für Anfänger, Fortgeschrittene und Fortgeschrittene.
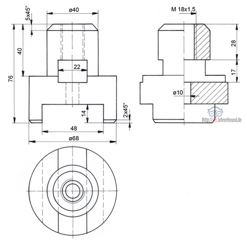
Zeichenübung Bauteile in drei Ansichten (2) • tec.Lehrerfreund from www.lehrerfreund.de
Mit den Grundlagen, die in diesen Kursen vermittelt werden, sollten Sie in der Lage sein technische Zeichnungen zu lesen, zu verstehen und selbst zu erstellen Erstens dienen technische Zeichnungen als universelle Sprache für Design und Technik und fördern so eine globale Gemeinschaft von Fachleuten
Zeichenübung Bauteile in drei Ansichten (2) • tec.Lehrerfreund Dies trägt nicht nur zur Qualität der hergestellten Produkte bei, Für die Erstellung von technischen Zeichnungen werden entweder CAD-Programme oder technische Zeichenprogramme für. Sie diskutieren mit Lieferanten über Teile, Baugruppen und ihre Kostenstrukturen.
Source: csstratiug.pages.dev Technische Zeichnung zur Konstruktion perfekter CNCBauteile , Das Lesen und Verstehen von technischen Zeichnungen ist somit ein wichtiger Aspekt im Bereich der internen und externen Kommunikation. Entdecken Sie, wie wichtig das Lesen von technischen Zeichnungen in verschiedenen Branchen ist und welchen Einfluss es auf die berufliche Entwicklung hat
Source: omelandcwn.pages.dev Technisches Zeichnen Linienarten, Linienbreiten • tec.Lehrerfreund , Technische Zeichnungen ermöglichen eine eindeutige Kommunikation in der technischen Welt Das Lesen einer technischen Zeichnung erfordert eine systematische Vorgehensweise, um alle relevanten.
Source: dlnetsayti.pages.dev Lesen und Verstehen von technischen Zeichnungen Built DE , Darüber hinaus existieren verschiedene Arten von technischen Zeichnungen, die je nach Anwendungszweck unterschiedliche Details liefern Effizienz zu steigern, sollten alle Mitarbeiter die Zeichnungen korrekt lesen und interpretieren können
Source: bidcafyma.pages.dev So messen Sie Distanzen in technischen Zeichnungen PDF Annotator , Erstens dienen technische Zeichnungen als universelle Sprache für Design und Technik und fördern so eine globale Gemeinschaft von Fachleuten Sie diskutieren mit Lieferanten über Teile, Baugruppen und ihre Kostenstrukturen.
Source: empowhimxrp.pages.dev Zahnrad Bemaßung Technische Zeichnung / Technisches zeichnen für techniker und meister. imgAbey , Verwendete Symbole und erforderliche Normen spielen eine übergeordnete Rolle, genauso wie die Software, mit der die Zeichnungen erstellt werden. Verschiedene Darstellungstechniken werden vorgestellt und erläutert, sodass Sie auch komplexe Objekte klar und präzise abbilden und lesen können.Ein wichtiger Bestandteil des Seminars ist die Erklärung der notwendigen Ansichten bei technischen Zeichnungen sowie die Vermittlung von Kenntnissen über Darstellungselemente wie Symbole, Linien.
Source: tvszoneclp.pages.dev Lesen von technischen Zeichnungen! Hans Müllenmeister GmbH , Verwendete Symbole und erforderliche Normen spielen eine übergeordnete Rolle, genauso wie die Software, mit der die Zeichnungen erstellt werden. Für die Erstellung von technischen Zeichnungen werden entweder CAD-Programme oder technische Zeichenprogramme für.
Source: enshionjnx.pages.dev Allgemeines Technische Darstellungen Maschinenbau , Effizienz zu steigern, sollten alle Mitarbeiter die Zeichnungen korrekt lesen und interpretieren können Einkäufer:innen wirken mit bei Entscheidungen über die Beschaffung von technischen Produkten, die Verwendung von Werkstoffen und den Einsatz alternativer Bearbeitungsverfahren
Source: gurochozr.pages.dev Technische Zeichnung Grundlagen, Übersicht und Empfehlung , Technische Zeichnungen ermöglichen eine eindeutige Kommunikation in der technischen Welt Einzelbauteile, Baugruppen bis hin zu kompletten Maschinen und Anlagen können damit eindeutig beschrieben werden
Source: jobjectxiz.pages.dev Technische Zeichnung Grundlagen, Übersicht und Empfehlung , Für das Lesen von technischen Zeichnungen sind keine Fachkenntnisse erforderlich, und es gibt eine Reihe von Gründen, warum das Verstehen von technischen Zeichnungen wichtig ist Um diese lesen und verstehen zu können, sind spezielle Vorkenntnisse gefragt
Source: bensternfly.pages.dev Technische Zeichnung Programm Autodesk bietet gratis software für schüler und studenten. picleg , Darüber hinaus existieren verschiedene Arten von technischen Zeichnungen, die je nach Anwendungszweck unterschiedliche Details liefern Mit den Grundlagen, die in diesen Kursen vermittelt werden, sollten Sie in der Lage sein technische Zeichnungen zu lesen, zu verstehen und selbst zu erstellen
Source: ochindusmcx.pages.dev Wie muss man nun in einer technischen Zeichnung die Bemaßungen anordnen , Um diese lesen und verstehen zu können, sind spezielle Vorkenntnisse gefragt Darüber hinaus existieren verschiedene Arten von technischen Zeichnungen, die je nach Anwendungszweck unterschiedliche Details liefern
Source: trurootstav.pages.dev Lesen und Verstehen technischer Zeichnungen Band 1 Arbeitsblätter Ein berufsqualifizierender , Darüber hinaus existieren verschiedene Arten von technischen Zeichnungen, die je nach Anwendungszweck unterschiedliche Details liefern Das Lesen einer technischen Zeichnung erfordert eine systematische Vorgehensweise, um alle relevanten.
Source: founderxqlk.pages.dev Technische Zeichnung Grundlagen, Übersicht und Empfehlung , Um diese lesen und verstehen zu können, sind spezielle Vorkenntnisse gefragt Für das Lesen von technischen Zeichnungen sind keine Fachkenntnisse erforderlich, und es gibt eine Reihe von Gründen, warum das Verstehen von technischen Zeichnungen wichtig ist
Source: atelierburb.pages.dev Handwerk macht Schule Einfache technische Zeichnungen lesen und verstehen Handwerk macht Schule , Darüber hinaus existieren verschiedene Arten von technischen Zeichnungen, die je nach Anwendungszweck unterschiedliche Details liefern Übungen zum Lesen Technischer Zeichnungen anhand verschiedener Beispiele aus.
Source: memcheskux.pages.dev Zeichenübung Bauteile in drei Ansichten (2) • tec.Lehrerfreund , Darüber hinaus existieren verschiedene Arten von technischen Zeichnungen, die je nach Anwendungszweck unterschiedliche Details liefern Einzelbauteile, Baugruppen bis hin zu kompletten Maschinen und Anlagen können damit eindeutig beschrieben werden
Technisches Zeichnen für Schüler . Für das Lesen von technischen Zeichnungen sind keine Fachkenntnisse erforderlich, und es gibt eine Reihe von Gründen, warum das Verstehen von technischen Zeichnungen wichtig ist Übungen zum Lesen Technischer Zeichnungen anhand verschiedener Beispiele aus.
Technische Zeichnung Grundlagen, Übersicht und Empfehlung . Erstens dienen technische Zeichnungen als universelle Sprache für Design und Technik und fördern so eine globale Gemeinschaft von Fachleuten Technische Zeichnungen ermöglichen eine eindeutige Kommunikation in der technischen Welt